Artikel nr: 76IEC180.FR
Prijs op aanvraag
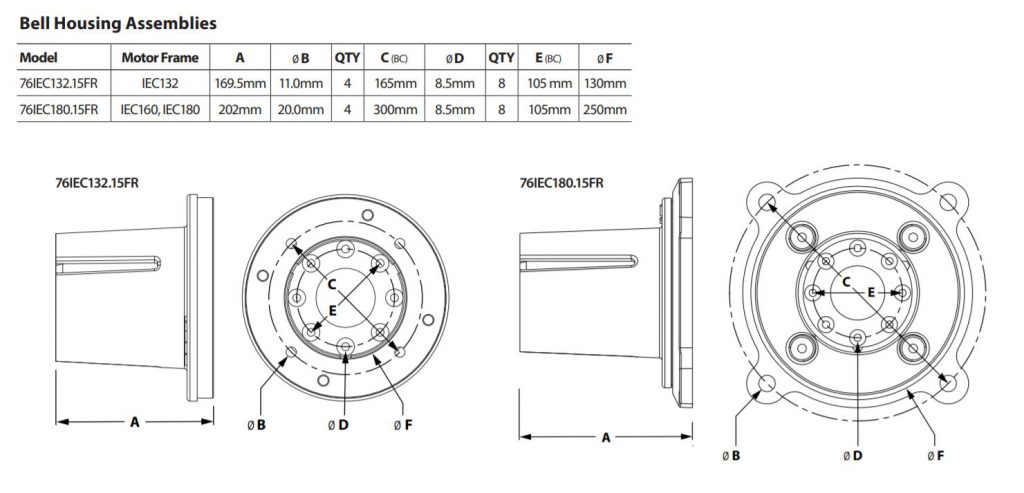
76IEC180.FR
KENMERKEN
– Elimineert riemkeuze, maatvoering en aanpassingen.
– Compacte directe bevestigingsfunctie vermindert de benodigde ruimte voor riemen of tandwielkastaandrijvingen.
– Isoleert tegen warmteoverdracht.
– Speciale urethaan flexibele spyder ontworpen voor een langere levensduur bij hoge temperaturen en hoge toerentallen.
– Ontworpen voor 15 en 18 framepompen , o.a. :
640, 650, 660, 661C, 661D, 1050,1051, 1051C, 1051D, 1057, 1530, 1530C, 1531, 1540E, 1540EC, 1541, 1541C, 1560, 1570, 1580, 1810, 1810K
Houd er rekening mee dat dit slechts een deel van de behuizing is en dat de volledige pompassemblages afzonderlijk worden verkocht. Raadpleeg de handleiding en het specificatieblad van uw pomp om de compatibiliteit te bevestigen.
Vergeet niet de juiste koppeling mee te bestellen, zie datasheet voor meer informatie.
Informeer naar de mogelijkheden voor compleet geassembleerde units van Cat pompen inclusief pomp, asbeschermer, belhuis, belhuis beschermkappen, flensadapters, flexibele koppeling, bevestigingsmateriaal en motor.

| Fabrikant / Merk | Cat Pumps |
|---|